UME - 儀器管配件
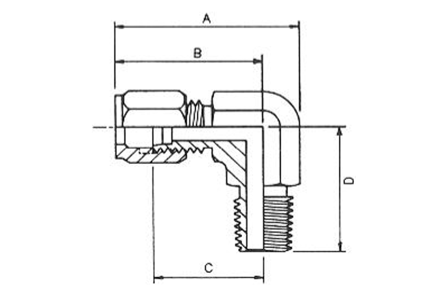
單位:±3mm
|
NO. |
Tube O.D |
Pipe Thread |
A (in) (mm) |
B (in) (mm) |
C (in) (mm) |
D (in) (mm) |
||||
|
UME-S-B-161 |
1/8 |
1/8 |
1.11 |
28.2 |
0.92 |
23.4 |
0.63 |
15.8 |
0.75 |
19.0 |
|
UME-S-B-163 |
1/8 |
1/4 |
1.20 |
30.6 |
0.98 |
25.0 |
0.69 |
17.5 |
1.03 |
26.2 |
|
UME-S-B-173 |
1/4 |
1/8 |
1.23 |
31.4 |
1.02 |
25.8 |
0.69 |
17.5 |
0.78 |
19.8 |
|
UME-S-B-175 |
1/4 |
1/4 |
1.30 |
32.9 |
1.08 |
27.4 |
0.75 |
19.1 |
1.06 |
27.0 |
|
UME-S-B-176 |
1/4 |
3/8 |
1.45 |
36.9 |
1.17 |
29.8 |
0.84 |
21.4 |
1.00 |
25.4 |
|
UME-S-B-177 |
1/4 |
1/2 |
1.58 |
40.1 |
1.23 |
31.4 |
0.90 |
23.0 |
1.25 |
31.7 |
|
UME-S-B-201 |
3/8 |
1/8 |
1.42 |
36.1 |
1.17 |
29.8 |
0.73 |
18.7 |
0.87 |
22.2 |
|
UME-S-B-205 |
3/8 |
1/4 |
1.48 |
37.7 |
1.23 |
31.4 |
0.80 |
20.2 |
1.06 |
26.9 |
|
UME-S-B-207 |
3/8 |
3/8 |
1.58 |
40.1 |
1.30 |
32.9 |
0.86 |
21.8 |
1.19 |
30.1 |
|
UME-S-B-208 |
3/8 |
1/2 |
1.73 |
44.1 |
1.39 |
35.3 |
0.95 |
24.2 |
1.25 |
31.7 |
|
UME-S-B-241 |
1/2 |
1/4 |
1.77 |
44.8 |
1.45 |
36.8 |
0.90 |
23.0 |
1.12 |
28.5 |
|
UME-S-B-243 |
1/2 |
3/8 |
1.77 |
44.8 |
1.45 |
36.8 |
0.90 |
23.0 |
1.12 |
28.5 |
|
UME-S-B-245 |
1/2 |
1/2 |
1.83 |
46.4 |
1.48 |
37.7 |
0.94 |
23.8 |
1.25 |
31.7 |
|
UME-S-B-323 |
3/4 |
1/2 |
2.22 |
56.3 |
1.75 |
44.5 |
1.13 |
28.6 |
1.57 |
40.0 |
|
NO. |
Tube O.D |
Pipe Thread |
A (in) (mm) |
B (in) (mm) |
C (in) (mm) |
D (in) (mm) |
||||
|
UME-S-A-161 |
4 |
1/8 |
1.11 |
28.2 |
0.92 |
23.4 |
0.63 |
15.8 |
0.75 |
19.0 |
|
UME-S-A-163 |
4 |
1/4 |
1.20 |
30.6 |
0.98 |
25.0 |
0.69 |
17.5 |
1.03 |
26.2 |
|
UME-S-A-173 |
6 |
1/8 |
1.23 |
31.4 |
1.02 |
25.8 |
0.69 |
17.5 |
0.78 |
19.8 |
|
UME-S-A-175 |
6 |
1/4 |
1.30 |
32.9 |
1.08 |
27.4 |
0.75 |
19.1 |
1.06 |
27.0 |
|
UME-S-A-176 |
6 |
3/8 |
1.45 |
36.9 |
1.17 |
29.8 |
0.84 |
21.4 |
1.00 |
25.4 |
|
UME-S-A-177 |
6 |
1/2 |
1.58 |
40.1 |
1.23 |
31.4 |
0.90 |
23.0 |
1.25 |
31.7 |
|
UME-S-A-185 |
8 |
1/4 |
1.39 |
35.3 |
1.17 |
29.8 |
0.77 |
19.6 |
1.09 |
27.8 |
|
UME-S-A-192 |
8 |
1/2 |
1.66 |
42.1 |
1.31 |
33.4 |
0.92 |
23.6 |
1.25 |
31.7 |
|
UME-S-A-201 |
10 |
1/8 |
1.42 |
36.1 |
1.17 |
29.8 |
0.73 |
18.7 |
0.87 |
22.2 |
|
UME-S-A-205 |
10 |
1/4 |
1.48 |
37.7 |
1.23 |
31.4 |
0.80 |
20.2 |
1.06 |
26.9 |
|
UME-S-A-207 |
10 |
3/8 |
1.58 |
40.1 |
1.30 |
32.9 |
0.86 |
21.8 |
1.19 |
30.1 |
|
UME-S-A-208 |
10 |
1/2 |
1.73 |
44.1 |
1.39 |
35.3 |
0.95 |
24.2 |
1.25 |
31.7 |
|
UME-S-A-241 |
12 |
1/4 |
1.77 |
44.8 |
1.45 |
36.8 |
0.90 |
23.0 |
1.12 |
28.5 |
|
UME-S-A-243 |
12 |
3/8 |
1.77 |
44.8 |
1.45 |
36.8 |
0.90 |
23.0 |
1.12 |
28.5 |
|
UME-S-A-245 |
12 |
1/2 |
1.83 |
46.4 |
1.48 |
37.7 |
0.94 |
23.8 |
1.25 |
31.7 |
(尺寸表僅供參考;實際尺寸以實體為主)
|
S=不銹鋼316 Stainless STEEL316SS |
A=米厘尺寸mm SIZE |
|
Y=不銹鋼304 Stainless STEEL304SS |
B=英制尺寸 inch SIZE |

